3Dパース
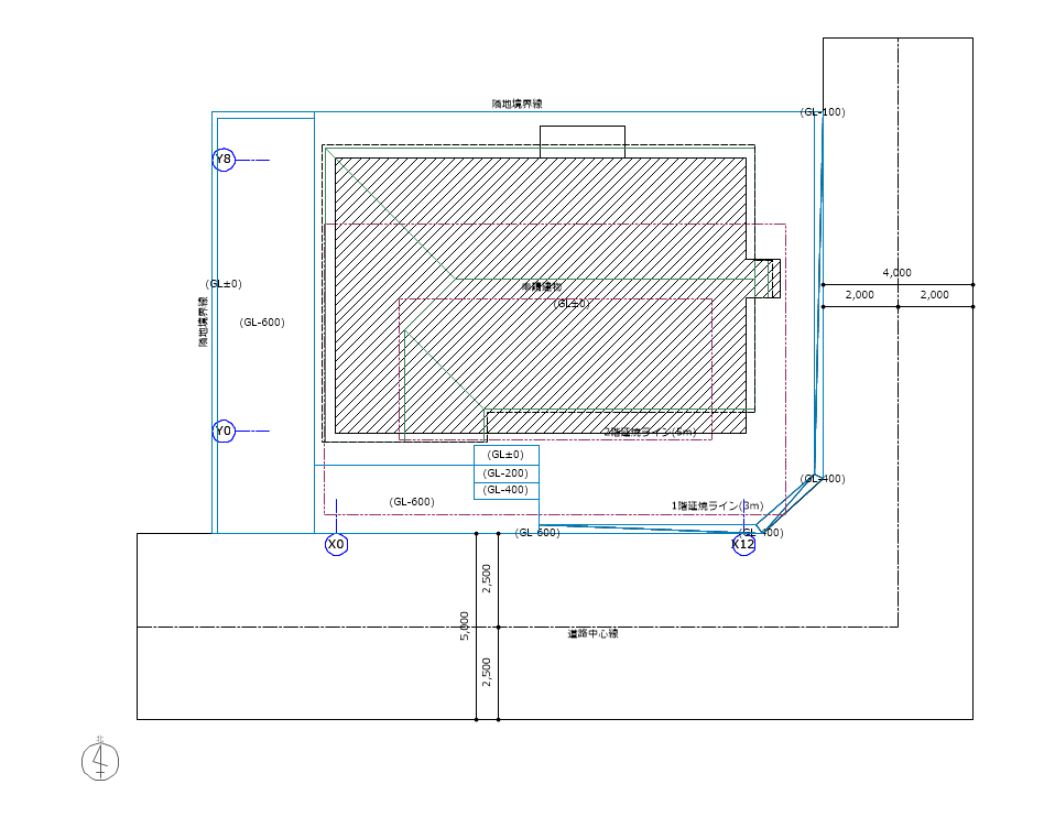
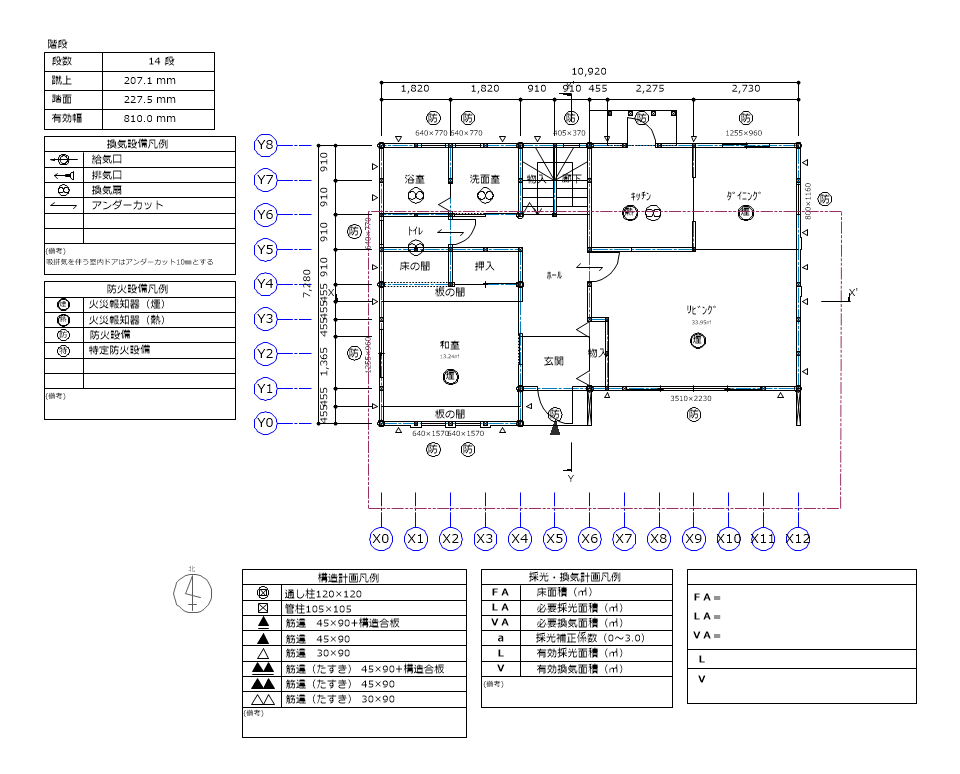
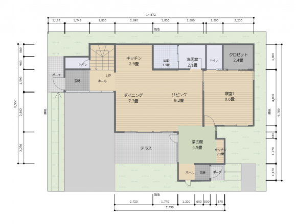
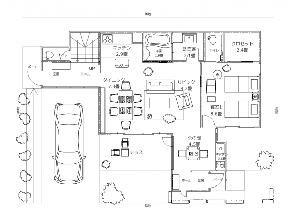
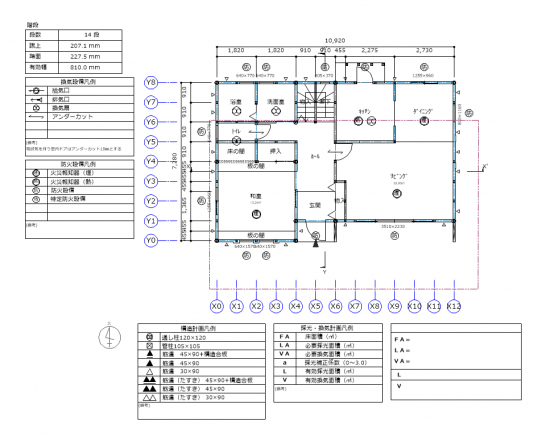
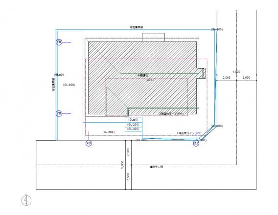
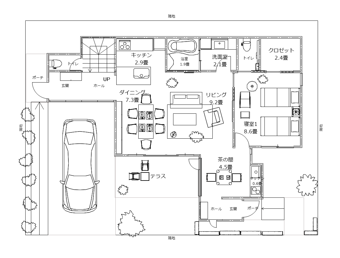
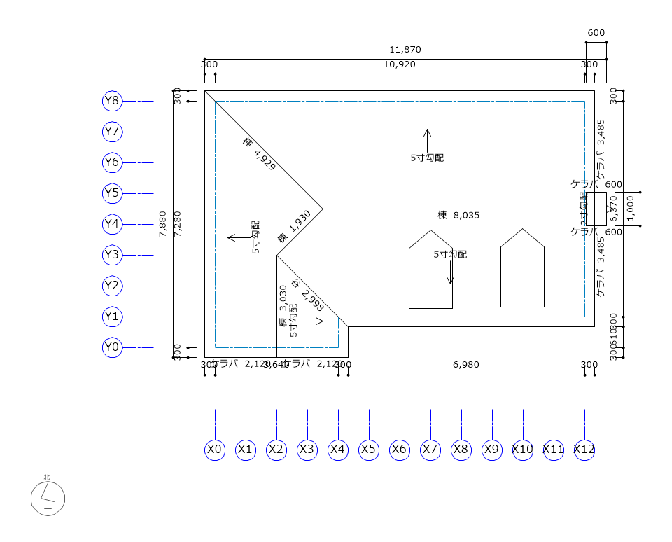
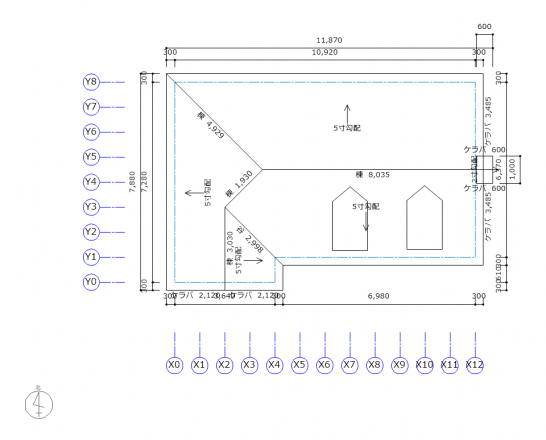
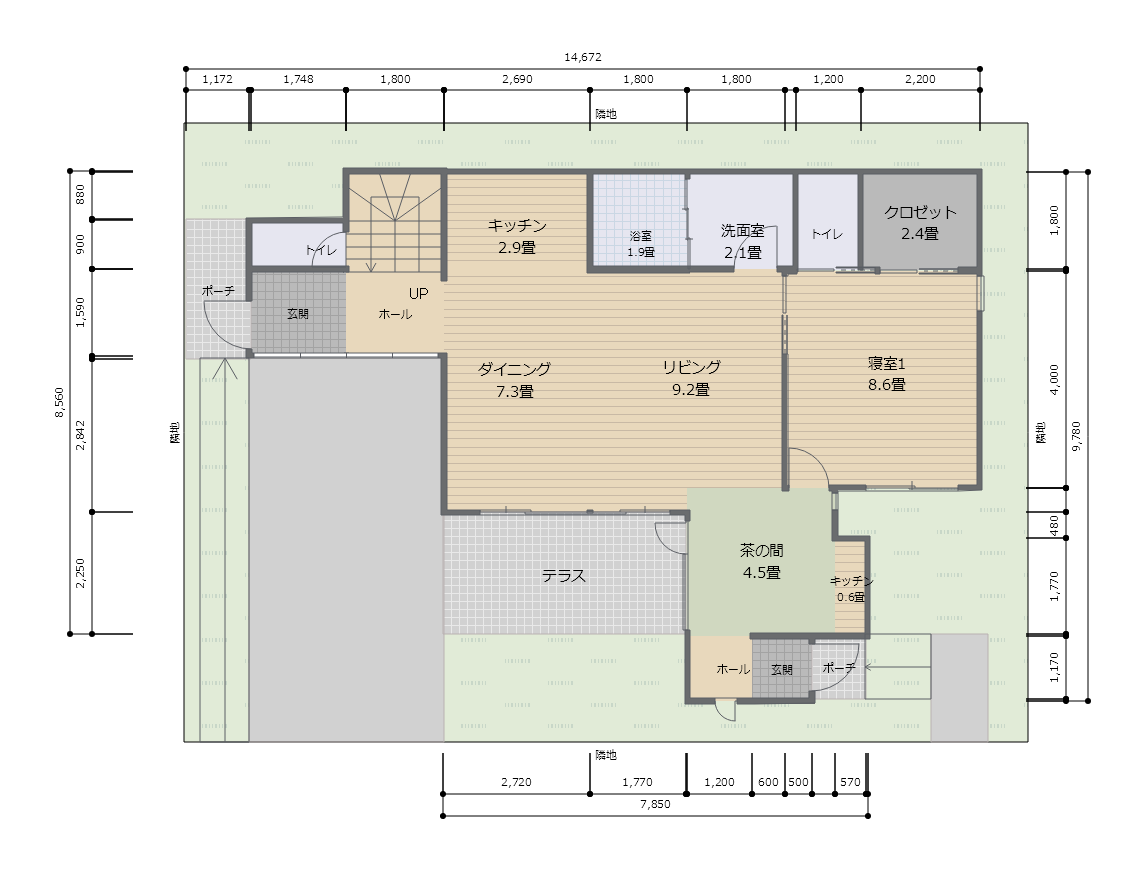
図面
