テーマ:業務効率化、見積もり作成、法規チェック
兵庫県宍粟市で地元に根付いた工務を手がけて40年。西林工務店は住宅から公共施設まで幅広く建築業務を営まれています。代表取締役の西林正数氏のポリシーは、施主のライフスタイルを現場30年のプロの目で「家」に反映させること。本当の住みやすさとは何かを、判りやすく施主に伝えるツールとして3Dマイホームデザイナーを活用されています。まじめに、そして真剣に施主の幸せな暮らしを願うあまり、時には厳しく提言をしてしまい、施主から嫌われることもしばしばあると笑う西林さんに3Dマイホームデザイナーの使用方法をお伺いしました。

「最近の施主さんは、『クルマ』を買う感覚で家を建てようとするんだよね」と西林さんは言われます。どういう意味なのかを聞いてみると、家に求めるものが「性能優先」になっているとのこと。クルマを買うときには、馬力や燃費、搭乗者数や積載力といった性能が選択基準として重要視されます。「近頃はハウスメーカーの広告のせいか、やれ「高気密」だ、やれ「外断熱」だと、性能重視で家を考える人が増えている。でもね、家っていうのは個々の性能よりも全体のバランスが大切なんですよ。」と西林さん。クルマよりもはるかに長く付き合うことになるものなのだから、ライフスタイルを長い目で見つめて、バランスのよい家づくりをしたほうがよいというわけです。
「どんな施主さんにも予算はあります。限られた予算を建材・建具・設備機器などにバランスよく配分していく中で、施主さんの夢を壊してしまうこともある。まあ、間違った夢なんだけどね。」と苦笑いする西林さん。性能志向の建て主が夢見るのは、「広大なリビング」、「開放的な玄関」、「高機能便器」、「大きな浴槽」などなど。しかし、広さは単純に建築コストを押し上げますし、高価な設備機器は坪単価を跳ね上げます。
ただ広いよりも心地良い距離を実現するリビングを、無意味に大きい風呂よりも使える脱衣・洗面スペースを西林さんは提案します。「リビングは家族が心地よく集える広さにして、その分使い勝手を考慮したキッチンスペースに割り振ればいい、やたら広い浴室よりも洗濯物も整理できるゆとりのある脱衣・洗面スペースを作るほうが長い目で見れば使い勝手が断然ちがう。」とのこと。それを理解してもらうために3Dマイホームデザイナーはよいサポートツールになっています。
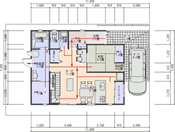
間取り図を使って生活に便利な動線を説明し、面積は狭いようでも天井を吹き抜けにすることで開放感を感じてもらえるリビングについて、3Dパースを見せて理解してもらうそうです。それに加えて事務所の隣にあるモデルハウスを使って実際の空間も体験することで、本当の使いやすさを実感できるようにされています。
「高機能な便器や広いお風呂に夢を馳せている施主さんには『あんたの話は夢を壊す』と怒られますけど、本当に使い勝手を考えて設計した上で、余裕があれば高い便器をつけたらいいんですよ。」
西林さんの言葉に、家づくりについて、考えを新たにする思いです。
※画像は西林さんが設計・施工した、なんと500万円の住宅事例。
限られたスペースをいかに広く見せ、広く使えるようにするかをプランニングするのに3Dマイホームデザイナーは大いに役に立ったとのことです。
西林さんはバージョン1から3DマイホームデザイナーPROを使われてますが、最新版のPRO6も発売後すぐにバージョンアップされています。
「PRO6で一番よかったのは面積・パーツ集計機能と法規チェック機能だね。この機能のおかげで物件あたり7時間は業務時間を短縮できたと思う。」と西林さんは言われます。プランをある程度つめた後、概算見積もりを出す作業をするのですが、これまでは外装・内装を手作業で算出していて、それに4時間くらいかかっていました。PRO6の集計機能を使えばそれがすぐにできるので、それだけで4時間の短縮になるとのこと。さらに日影などの法規もプレゼンの段階でおおむね確認できるため、手戻りが少なくなった分業務効率が上がり、トータルで7時間から10時間くらい1物件あたりの業務時間を短縮できたのだそうです。
作業としての時間を短縮できた分、プランニングそのものに時間をかけられるので、より施主のライフスタイルを反映した設計を提案できるとのこと。
「家づくりは遊びも大切」と考える西林さんは、今日も3Dマイホームデザイナーで、さらに使い勝手の良い家づくりを提案されていることでしょう。